Artikel Bezeichnung   Preis
B5011 GBM Bauart Heizer BS Komplett (mit allen Teilen für 5V) wieder lieferbar 12,25€
B5012 GBM Bauart Heizer BS Komplett (mit allen Teilen für 12V) wieder lieferbar 12,25€

Gleisbesetztmelder Bauart Heizer galvanisch getrennt

Direkter Einsatz ohne weitere Elektronik nur auf digital betriebenen Modellbahnen!





Information:
Entgegen den weitläufig bekannten Gleisbesetztmeldern, bei denen ein Spannungsabfall im Bahnstromkreis erkannt wird, wurde diese geniale Schaltung von Helmut Schäfer entworfen. Hier erfolgt die Erkennung über einen Trafo. Dazu wird lediglich ein Pol der Bahnzuleitung durch das Loch im Trafo geführt. Es gibt somit keinerlei elektrische Verbindung zwischen Meldeelektronik und Bahnstromkreis und damit auch kein Spannungsabfall. Die Schaltung ist so empfindlich, dass Loks, Wagen mit Dekoder oder auch nur Widerstandsachsen mit max. 16kOhm (Forderung nach NEM) erkannt werden.
Es reicht, wenn die Zuleitung des zu überwachenden Gleises (nur 1 Pol) durch das Loch des Trafos geführt wird. Die Besetztmeldung erfolgt durch auf Masse (-) schalten des Ausganges und wird durch eine LED angezeigt.
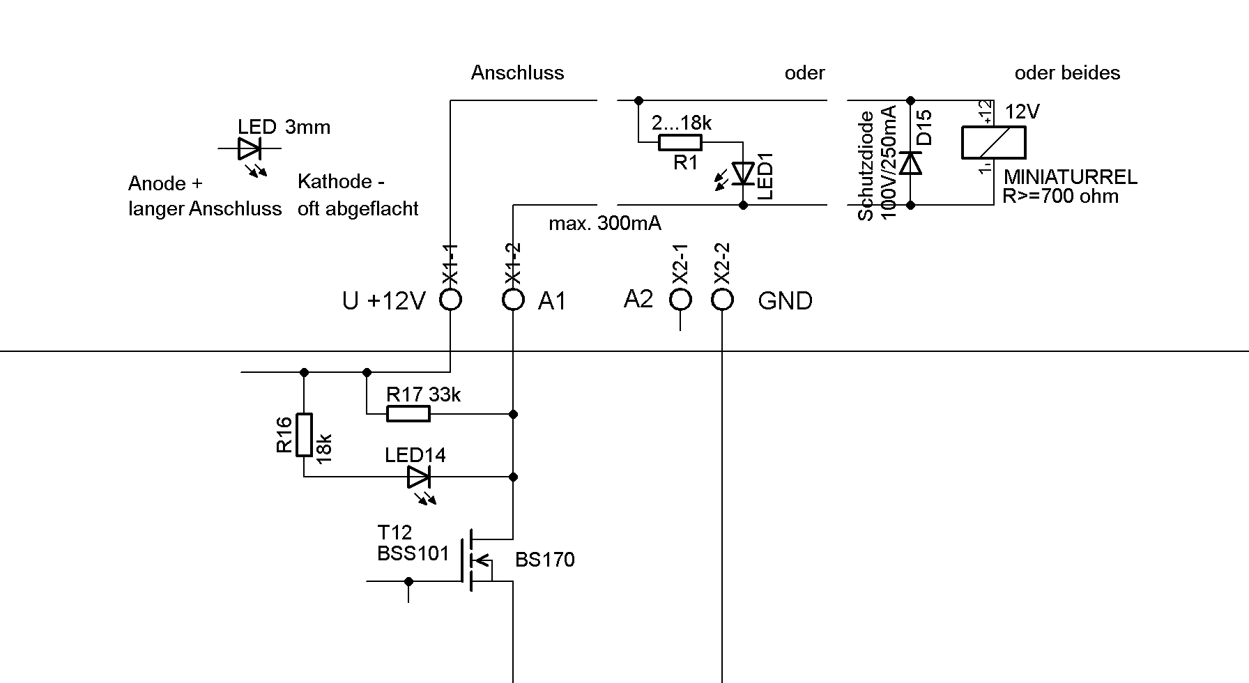
An den Ausgang können weitere LEDs über entsprechende Vorwiderstände oder ein Relais angeschlossen werden. Ebenso ist die Verbindung mit vielen digitalen Meldebausteinen zur Weiterleitung an eine Digital-Zentrale und/oder an einen Rechner möglich. Der Ausgangsstrom sollte 300mA nicht überschreiten.
Weitere Beschreibung und Einsatzmöglichkeiten in einer Anleitung vom "technischen Vater":

Daten:


5V Variante: Spannung 5V - Stromverbrauch 5/ 7mA - Empfinflichkeit ca. 22 kOhm - max. Ausgangsstrom 500mA

12V Variante: Spannung 12V - Stromverbrauch 2,3/ 3mA - Empfinflichkeit ca. 22 kOhm - max. Ausgangsstrom 500mA

Anschluss von Relais und LED:




Optionen:

Mittlerweile sind recht günstige Relaisplatinen z.B. für den Arduino auf dem Markt. Sowohl die Variante mit und auch ohne Optokoppler lassen sich anschließen.





Lieferumfang:
- sh. oben

24g
Bezug und Information auch :
- Die Digitalzentrale
- Bestellung auf www.MoBa-Licht.de